Keyboard Design
Information regarding computer keyboard design from a company which has been designing, manufacturing, selling, and supporting computer input devices since 1993.
Most of us think of pressing a key as a single event, but to the computer it’s actually two events – key down and key up - and when multiple keys are involved, the exact sequence and timing can be critical.
Anyone who types on a keyboard knows this intuitively. If the Shift key goes down and up before the A key is pressed, you get a lower case a. Holding the Shift key until after the a key is pressed, gives you the upper case A.
Keys like Shift, Control, and Alt are called modifier keys because while they are in the down state they modify the behavior of other keys. CapsLock and NumLock are also modifiers.
The keys on our X-keys programmable keyboards also have both a down and an up state and can send different macros in each state. To differentiate between a conventional key down and up state and an X-keys key down and up state, we refer to X-keys states as press and release.
By default MacroWorks 3.1 sends all events on the press of an X-key. But there are some situations where it’s preferable to have an X-key act as a modifier and hold a key in its down state until you release it. MacroWorks 3.1 has a feature to automatically separate the down and upstrokes of the last keystroke and modifier in a keystroke sequence.
For example, if we record the Copy macro (Ctrl+C) you will see all down and up events in the Press macro pane and know they will be sent when the X-key is pressed.
If we turn on the automatic separation option and record the same combination you will see the up events are now moved to the Release event pane and they won’t be sent until the X-key is released. Holding the X-key down would be the same as holding the Control and C keys down on your keyboard.
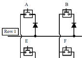
Key ghosting occurs in matrixed keyboard configurations when three keys are held down in a specific pattern. Electronically, it looks like a fourth key is also held down. If diodes are used appropriately between the switch and matrix points, key ghosting is prevented.
Open or download the full article here: Backlighting Keyboards.pdf
Here is a brief explanation of the use of back lighting on computer control keyboards and keypads. It discusses color, type, intensity and power consumption. It also gives an example of how to use backlighting to indicate the state of the entire keyboard.
Backlighting gauges and switches has been used for years for mission critical controls on airplanes, military vehicles and regular automobiles. More recently it has become popular with computer control devices such as keyboards.
Backlighting allows the user to see the controls in low light situations and in full day light it often just looks cool. Choosing the intensity and color is important in some mission critical situations. Controlling the power consumed by backlighting is required in power limited situations such as battery powered operation.
Backlighting is not usually intended to be used as an indicator on individual keys; however it can be used to show the state of the entire keypad, or larger regions if two distinctly different colors are used. P. I. Engineering’s XK series of back lit keypads offer two colors and full control of intensity and color dynamically from the host computer software.
